Finding a trustworthy blender motor supplier can be a tough task—especially when you're just starting the sourcing process. With so many suppliers online, it's easy to waste time chasing unqualified manufacturers or get stuck with inconsistent quality and poor communication.
This article gives you a quick and reliable checklist—one you can follow in just a few minutes—to assess whether a motor supplier, especially for blenders and small appliances, is worth deeper engagement. Read on and gather useful tips!
Step 1: Check Company Type and Transparency
Start by identifying what kind of company you're dealing with—a manufacturer or a trading company. This is crucial because electric motor manufacturers usually offer more technical depth, production control, and customization.
Here's how to quickly verify:
Business Type: Look at the company's listing on Alibaba, Made-in-China, or their own site. Check the "Business Type" section, business license, or "About Us" page.
Manufacturer Indicators: Factory photos, production line images, staff at work, lists of machinery, and R&D facilities are strong signs of a genuine electric motor manufacturer.
Warning Signs: No clear business address, inconsistent product range (e.g., they sell motors, handbags, and electronics), or vague company descriptions could indicate a middleman or trading firm.
In most cases, a transparent electric motor supplier will proudly showcase their manufacturing capabilities—not hide them.
Step 2: Scan Product Certifications and Technical Documentation
Reliable electric motor suppliers won't just claim quality—they'll prove it with certifications and detailed specs.
Key things to check:
Certifications: Look for CE, UL, RoHS, and ISO9001. These show the supplier meets safety, environmental, and quality standards.
Technical Documentation: Request datasheets that include key motor specs—torque, RPM, noise level, insulation class, lifespan, etc.
Customization Ability: Ask if they support OEM or ODM services. A real manufacturer will often provide tailored solutions for blender motors.
Red Flags:
Vague or missing datasheets
Inconsistent specs across their materials
No real test reports or compliance documents
Technical transparency is a key signal that a supplier takes its electric motor manufacturing seriously.

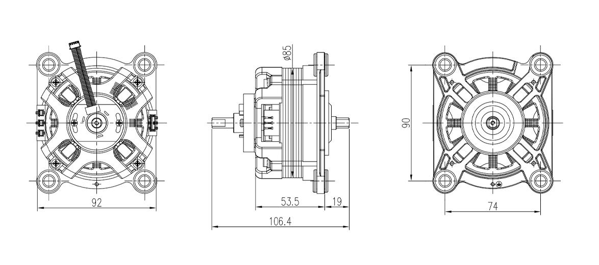
Picture shown: a drawing of a flat brushless DC blender motor
Read more about blender motors: All about Blender Motor Applications in the Kitchen!
Step 3: Evaluate Response Speed and Communication Quality
How a motor company communicates tells you a lot about how they operate. An experienced and responsible motor supplier will offer you responsive service and understand your technical and business needs.
Here's what to look for:
Response Time: Did they reply within 12–24 hours?
Answer Quality: Are the answers clear and specific, or just generic and scripted?
Follow-up Questions: Good suppliers will ask about your motor usage (e.g., load, voltage, RPM requirements) to suggest suitable models.
Technical Knowledge: Can they explain tolerances, MOQ, customization options, and lead times confidently?
Red Flags: Vague replies, irrelevant product suggestions, or pushy sales tactics with no real technical insight.
Step 4: Search for Customer Reviews and Project Case Studies
Finally, see how the motor supplier has performed with other clients.
Real Reviews: Platforms like Alibaba often show verified customer feedback. Look beyond star ratings—read the actual comments.
Project Experience: Often, a credible electric motor manufacturer will highlight its case studies, and they are strong proof of the manufacturer's motor expertise.
Reference Clients: Don't hesitate to ask for 2–3 references (if NDAs allow). This helps verify their long-term reliability.
Red Flags: No customer feedback at all, or only generic testimonials like "good supplier"—without context or detail.
Final 3-Minute Checklist Summary
Here's a simple way to score any potential electric motor supplier:
Criteria | Met? (Yes/No) |
Verified manufacturer status | |
Product certifications and technical docs | |
Fast and knowledgeable communication | |
Real customer feedback or project case studies | |
Transparent pricing and clear MOQ |
Scoring Guide:
If you get 4 out of 5 "Yes", the motor supplier is likely worth further evaluation. Less than that? Proceed with caution or keep searching.
Conclusion
Sourcing blender motors doesn't have to be a gamble. If you're looking for a reliable motor supplier with years of experience, strong engineering capability, and full OEM/ODM services, consider Power Motor.
With 20+ years of proven experience in household appliances and a reputation for consistent quality and customization, Power Motor stands out as a trusted electric motor manufacturer. We provide end-to-end motor solutions—from research and development to performance testing and production.
Want to learn more about how Power Motor can support your project? Click here to contact our team today!
We use cookies and similar technologies on this website ("Cookies"). In order to allow their use to analyze website usage and to enhance functionality, please click on "Use all functions". To change the settings and select which specific Cookies we are allowed to use, or to obtain more detailed information, please click on "Settings".
Below, you can activate/deactivate the individual technologies that are used on this website.