Welcome to Shenzhen Power Motor Industrial Co., Ltd. official website!
  • English
  • | Skype:864006663630 / +8613823703995

    Definition of Universal Motor

    2021-09-15 17:42:57 0

    A universal motor is a type of electric motor that the stator's field coils (the excitation winding) are connected in series with the rotor windings (the armature winding) through a commutator. Single-phase series motor commonly known as series motor or general motor

    The universal motor is very similar to a DC series motor in construction but is modified slightly to allow the motor to operate properly on AC power. The principle of generating rotational torque can also be expressed by the principle of a DC motor.

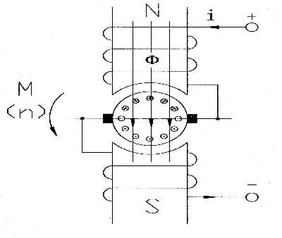
    As shown in Figure 1, a DC voltage applied to the carbon brushes A and B. The current in the winding flows in from the carbon brush A, flows through the conductor under the N pole, flows through the conductor under the S pole, and then flows out from the carbon brush B. As the magnetic field interacts with the magnetic field generated by the current in the conductor, the winding moves under force. If the conductor turns to another polarity magnetic field, the direction of the current in the winding is changed correspondingly through the action of the brush and the commutator, but the direction of electron current in the conductor under a certain polarity magnetic field remains unchanged so that the winding is subjected to the direction of the force unchanged, Winding torque generated always unidirectional

    Due to the series-excited motor, in the case of AC power supply, the stator current and the rotor current will change at the same time, that is, the stator flux and the armature current will change at the same time. According to the left-hand rule of the motor, it can be seen that the flux and the armature current are at the same time when the direction is changed, the rotation of the rotor remains unchanged. Although the polarity of the power supply changes repeatedly, the rotor always maintains a constant rotation, which is the working principle of the series motor.


    直流电动机原理图.png

    单相串激电机原理图.png


    The single-phase series motor is mainly composed of a stator, armature, bracket, brush holder, and commutator.

    1. Stator: The stator is the mechanical support of the entire motor to generate the main magnetic flux. It is mainly composed of the stator core and the field winding.

    2. Armature: The armature is the motor rotating part also called the rotor, which is the most important part of the motor. 

    3. The role of the rotor is to generate electromagnetic torque, thereby transforming electrical energy into mechanical energy. It consists of a rotating shaft, an iron core, an armature winding, a commutator, and a cooling fan.

    4. Commutator: The commutator is surrounded by several commutations from the trapezoidal sheet. The commutating pieces are insulated with mica pieces, and glass fiber phenolic plastics are pressed in the half-moon grooves at the lower ends of the commutating pieces so that the commutating pieces can be integrated.

    5. Carbon brush holder: The carbon brush holder is composed of a chassis, a brush holder, a spring, and a carbon brush.

    We use cookies and similar technologies on this website ("Cookies"). In order to allow their use to analyze website usage and to enhance functionality, please click on "Use all functions". To change the settings and select which specific Cookies we are allowed to use, or to obtain more detailed information, please click on "Settings".

    Below, you can activate/deactivate the individual technologies that are used on this website.

    Please scan the QR code with WeChat