1. The basic market situation
The application of electric curtains in western developed countries is very extensive, and it has basically become a standard configuration in modern high-end places. Electric curtains entered the domestic market ten years ago, and now is the period of their rapid development and promotion. At present, there are many types of mainstream electric curtains on the market in my country, which can be divided into electric opening and closing curtains, electric lifting curtains, and electric ceiling curtains according to the mechanism action form [1]. Electric curtains are widely used, mainly in homes, office buildings and factories. Electric lifting curtains are mainly used in public places such as office buildings and factories.
2. The market demand
In order to suit customer's needs, different electric curtains use different types of electric motors. The main electric motors used in electric curtains on the market are low-voltage DC motors and AC asynchronous motors. The AC asynchronous motor drive method can directly use 220V power supply, the control circuit is more complicated, generally requires an external receiver, and it is not safe; although the driving power is large, the motor is easy to heat up and affect the service life. The DC low-voltage motor generally adopts an external power transformer, which is safe and low energy consumption, the motor does not heat up for a long time, and the driving power is generally large. The curtain that can be loaded can reach 40-100 kg.
Mainstream electric lift curtain motor problems:
AC asynchronous motor: the temperature rises and affects the life, and the control circuit is complicated.
DC low-voltage motor: an external power transformer is required.
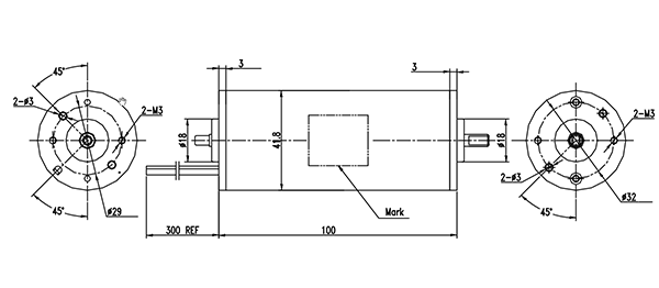
3. Power Motor's solution
In order to solve the problems of electric lifting curtain motors on the market, Power Motors adopts high-voltage DC motors and directly uses 220VAC power supply for full-wave rectification power supply. It can realize the characteristics of low energy consumption, low temperature rise, high power, and long life of DC low-voltage motors, without using an external power transformer, and the control circuit is also very simple, which can be built into the curtain tube.
The outer diameter of the motor can be realized by using a DC high-voltage motor; the motor speed: 5500rpm or below; the normal working torque of the motor is 100mNm, and it can drive 40~100Kg curtains with a planetary gearbox; the motor noise is below 45dB; Accurate positioning of curtain lifting; motor life: more than 200,000 lifting cycles. Figure 1 is an outline drawing of the motor, and Figure 2 is a three-dimensional rendering of the motor.
The control circuit can realize the lifting and lowering control of the curtain very simply, and can also realize the stepless speed regulation of the lifting speed, so that the curtain can adjust the switching speed according to different usage scenarios.


4. The future optimization direction of electric roller shutter curtain solution
The motor diameter of Power Motor's existing solution is 45mm, and the next step will be to develop a smaller diameter high-voltage DC motor, so that the outer diameter can reach 36mm or less, which can reduce the curtain rod and make the curtain more beautiful. At the same time, the brushless DC motor solution is also considered, so that the motor has lower energy consumption, longer life, lower noise, and more intelligent control.
We use cookies and similar technologies on this website ("Cookies"). In order to allow their use to analyze website usage and to enhance functionality, please click on "Use all functions". To change the settings and select which specific Cookies we are allowed to use, or to obtain more detailed information, please click on "Settings".
Below, you can activate/deactivate the individual technologies that are used on this website.